12月30日,中國化學品安全協會發布公告稱,批準發布《化學化工實驗室安全管理規范》(T/CCSAS 005-2019)團體標準(以下簡稱《標準》)。該《標準》將于2020年2月1日開始實施,是國內首個關于化學化工實驗室安全管理的團體標準。
《標準》由天津大學、清華大學、中國化學品安全協會等單位共同編制,內容包括化學化工實驗室的人員管理、化學品管理、儀器/設備管理、設施管理、環境管理、安全風險辨識評估與管控、應急管理等;適用于涉及化學化工實驗的實驗室(不含中試規模的實驗室或工廠),包括高等院校實驗室、科研院所實驗室、企業實驗室(含化驗室)、公共實驗平臺等。其他涉及化學品的實驗室也可參照執行。
《標準》主要起草人表示,編制目的是引導化學化工實驗室建立規范完善的安全管理體系,指導化學化工實驗室正確開展安全管理工作,降低實驗室安全事故發生率;通過危害辨識和風險評估進行事前預防和控制,提升化學化工實驗室本質安全管理水平,防范實驗室安全事故。
據介紹,在現行國家有關法律法規、部門規章和標準的基礎上,該《標準》還借鑒了國外先進的實驗室安全管理經驗以及相關的管理體系,對實驗室化學品進行量化管理,具有一定的創新性。



化學化工實驗室安全管理規范
本標準制定了化學化工實驗室(以下文中所述“實驗室”皆特指“化學化工實驗室”)安全管理規范,規定了與實驗室活動相關的化學品、人員、設備、環境、設施、個體防護裝備等安全管理要求。
本標準適用于化學化工實驗室,包括高等院校實驗室、科研院所實驗室、企業實驗室(含化驗室),公共實驗平臺等。其他實驗室安全管理可參照執行。
下列文件對于本標準的應用是必不可少的。凡是注日期的引用文件,僅注日期的版本適用于本文件。凡是不注日期的引用文件,其最新版本(包括所有的修改單)適用于本文件。
GB 13690-2009 化學品分類和危險性公示 通則
GB 30000化學品分類和標簽規范
GB 15603 常用危險化學品貯存通則
GB 18218-2018 危險化學品重大危險源辨識
GB 50736-2012 民用建筑供暖通風與空氣調節設計規范
GB/T 1002 家用和類似用途單相插頭插座 型式、基本參數和尺寸
GB/T 2099 家用和類似用途插頭插座
GB/T 11651-2008 個體防護裝備選用規范
GB/T 27476 檢測實驗室安全
GBZ 2.1-2007 工作場所有害因素職業接觸限值 第1部分:化學有害因素
GBZ 2.2-2007 工作場所有害因素職業接觸限值 第2部分:物理因素
AQT 4274-2016 局部排風設施控制風速檢測與評估技術規范
下列術語和定義適用于本文件。
3.1 危險化學品 dangerous chemicals
具有毒害、腐蝕、爆炸、燃燒、助燃等性質,對人體、設施、環境具有危害的劇毒化學品和其他化學品。
3.2 有毒物質 poisons
在被吞食、吸入或與皮膚接觸后可能造成死亡或嚴重受傷或損害人體健康的物質。
3.3 有害物質 hazardous substances
有害物質是指人類在生產條件下或日常生活中所接觸的能引起疾病或使健康狀況下降的物質。
3.4 禁忌物料incompatible materials
化學性質相抵觸或滅火方法不同的化學物料。
3.5 化學品安全技術說明書safety data sheet for chemical products; SDS
化學品的供應商向下游用戶、公共機構、服務機構和其他涉及該化學品的相關方傳遞化學品基本危害信息(包括運輸、操作處置、儲存和應急行動信息)的一種載體。
3.6 實驗室廢棄物laboratory waste
實驗室運作過程中產生并需要處理的任何液體、固體或氣態物質或物品。
3.7 危害辨識hazard identification
危害辨識是運用系統分析的方法,發現并識別生產工藝、設備設施以及作業環境中存在的各類危險有害因素,采用系統工程的原理對危害因素進行控制和治理,并持續提升控制手段的方法和過程。
3.8 應急預案 emergency plan
指面對突發事件如自然災害、重特大事故、環境公害及人為破壞的應急管理、指揮、救援計劃等。
3.9 風險評估risk assessment
指在風險事件發生之前或之后(但還沒有結束),該事件給人們的生活、生命、財產等各個方面造成的影響和損失的可能性進行量化評估的工作。
4.1.1 實驗室應建立、實施和維持安全管理體系,編制安全管理手冊、程序文件、作業指導書以及記錄表單。安全管理手冊為實驗室安全管理體系的綱領性文件,是描述安全管理體系、實施安全管理及促進改進的必需文件。程序文件為安全管理手冊的支持性文件,是對安全管理體系中的各項管理活動進行控制的有效依據。作業指導書是安全管理手冊和程序文件有效實施的輔助性文件,是對完成各項管理活動的操作規程;記錄表單是實驗室安全管理體系相關管理活動的原始證據,用于安全管理體系運行中信息的記載、傳遞和運行情況的證實。
4.1.2 安全管理體系文件應傳達至實驗室全部人員,并要求其獲取、理解和執行。
4.1.3 由實驗室負責人對實驗室相關人員進行安全管理體系的宣傳與貫徹,并定期組織對安全管理體系進行審核及改進,保存相關記錄。
4.1.4 實驗室應建立和維持程序來控制安全管理體系相關的所有文件,包括安全管理手冊、程序文件、作業指導書、記錄表單等。
4.1.5 實驗室制定的安全管理體系文件應有唯一性標識。該標識應包括發布機構、發布日期和/或修訂標識、頁碼、總頁數或表示文件結束的標記。
4.1.6 凡作為安全管理體系組成部分發給實驗室人員的所有文件,在發布之前應由授權人員審查并批準使用。應建立識別管理體系中文件當前的修訂狀態和分發的控制清單,或等效的文件控制程序文件并使之易于獲得,以防止使用無效和/或作廢的文件。
4.1.7 除非另有特別指定,文件的表格應由原審查責任人進行審查和批準。
4.1.8 實驗室文件為受控文件,不得隨意修改,若因特殊情況需要修訂,應得到授權并履行相關程序。
4.2.1 實驗室應確保所從事的相關活動符合現行有效的安全法律法規和標準的要求。
4.2.2 實驗室的安全管理體系應覆蓋實驗室在其固定場所內進行的所有活動。
4.2.3 實驗室應:
a)配備專職或兼職的安全管理人員。安全管理人員應履行包括實施、維持和改進安全管理體系的職責,識別對安全管理體系的偏離,以及采取預防或減少這些偏離的措施;
b)制定對安全有影響的所有管理、操作和監督人員的職責、權利和相互關系的制度;
c)由熟悉實驗室活動和安全要求的安全監督人員對實驗室開展的各項工作進行安全監督。賦予安全監督人員應履行包括評估和報告活動風險、制定和實施安全保障及應急措施、阻止不安全行為或活動的職責;
d)確保實驗室人員知曉實驗室的安全要求和安全風險。確保人員在其活動的區域承擔安全方面的責任和義務,避免因個人原因產生安全隱患或造成安全事故。
4.2.4 實驗室最高管理者對實驗室安全和安全管理體系運行負責。
4.2.5 最高管理者應通過以下方式做出承諾:
a)為安全管理體系的建立和運行提供必要的資源,包括但不限于人力資源、設施和設備、技能和技術、醫療保障、財力資源;
b)明確安全管理人員作用、分配職責、授予權力,提供有效的安全管理,并形成文件和建立溝通機制。
4.2.6 應在最高管理層中明確實驗室安全責任人,并賦予其以下職責和權限:
a)建立、實施和運行安全管理體系;
b)向最高管理者提交安全績效報告,以供評審,并為改進體系提供依據。
4.2.7 實驗室應建立溝通和報告機制。包括:
a)在實驗室內部不同層次和職能部門間進行內部溝通;
b)與進入實驗室場所的外來人員進行溝通;
c)接收、記錄和回應來自外部相關方的溝通;
d)安全風險隱患及事故事件的報告機制。
4.2.8 實驗室應建立實驗室安全的全員參與機制。實驗室人員可通過以下多種方式參與實驗室安全相關的活動:
a)危險源辨識、風險評估和確定風險控制措施;
b) 提出安全隱患及改進建議;
c)安全風險隱患排查及事故事件的調查;
d)安全方針目標的制定和評審;
e)商討影響安全的因素;
f)擔任員工安全事務代表;
g)應急演練;
h) 對外來人員進行安全告知、培訓和指導等。
4.2.9 實驗室上一級部門或主管部門應設立安全管理部門/委員會,安全管理部門/委員會應有實驗室安全危險源清單,化學品購買、使用和回收臺賬與鋼瓶臺賬,并定期進行周期性安全檢查和針對性安全檢查,安全檢查內容應全面,檢查記錄至少有效保存3年。
注:周期性檢查主要有年度檢查、季度檢查、月度檢查、周檢查和日常檢查等,針對性檢查主要有全面檢查、專項檢查等。
4.3.1 人員能力
4.3.1.1 實驗室應配備足夠的人員確保實驗室的安全工作,并確保實驗室人員具備從事相關工作的能力。從事特殊崗位工作的人員,應具備相應的資格。
4.3.1.2 實驗室應確保工作人員清楚所從事的工作可能遇到的危險,包括:
a)危險源的種類和性質;
b)使用的化學品、儀器/設備等的危險特性;
c)可能導致的危害;
d)應采取的防護措施;
e)緊急情況下的應急處置措施。
4.3.2 人員培訓
4.3.2.1 實驗室應制定相應的安全培訓計劃,包括但不限于安全防護裝備/裝置的使用和維護培訓、應急培訓,保留培訓記錄并對培訓有效性進行評價。
4.3.2.2 實驗室應確保進入實驗室的所有人員(包括外部人員)經過適用的個體防護裝備的使用和維護培訓并明確實驗室安全規定、風險和程序。
4.3.2.3 應組織實驗室安全負責人及相關人員分析和學習本單位出現的安全風險隱患和事故事件,進行整改并保存所有相關記錄。
4.3.3 人員監督
4.3.3.1 實驗室應對實驗室人員進行適當的監督。
4.3.3.2 實驗室所有人員均有權對他人進行監督,若發現有違反安全規定的行為應制止并上報實驗室最高管理者。
4.3.4 人員授權
4.3.4.1 實驗室應規定安全管理體系中各崗位職責并進行人員授權或任命。
4.3.4.2 實驗室應實行全員安全責任制,所有員工均應明確在實驗室安全管理體系中的職責并作出相關承諾。
4.4.1 分類
4.4.3.1 爆炸物
爆炸物分類和標簽規范見GB 30000.2-2013。
4.4.3.2 易燃氣體
易燃氣體分類和標簽規范見GB 30000.3-2013。
4.4.3.3 氣溶膠
氣溶膠分類和標簽規范見GB 30000.4-2013。
4.4.3.4 氧化性氣體
氧化性氣體分類和標簽規范見GB 30000.5-2013。
4.4.3.5 加壓氣體
加壓氣體分類和標簽規范見GB 30000.6-2013。
4.4.3.6 易燃液體
易燃液體分類和標簽規范見GB 30000.7-2013。
4.4.3.7 易燃固體
易燃固體分類和標簽規范見GB 30000.8-2013。
4.4.3.8 自反應物質和混合物
自反應物質和混合物分類和標簽規范見GB 30000.9-2013。
4.4.3.9 自燃液體
自燃液體分類和標簽規范見GB 30000.10-2013。
4.4.3.10 自燃固體
自燃固體分類和標簽規范見GB 30000.11-2013。
4.4.3.11 自熱物質和混合物
自熱物質和混合物分類和標簽規范見GB 30000.12-2013。
4.4.3.12 遇水放出易燃氣體的物質和混合物
遇水放出易燃氣體的物質和混合物分類和標簽規范見GB 30000.13-2013。
4.4.3.13 氧化性液體
氧化性液體分類和標簽規范見GB 30000.14-2013。
4.4.3.14 氧化性固體
氧化性液體分類和標簽規范見GB 30000.15-2013。
4.4.3.15 有機過氧化物
有機過氧化物分類和標簽規范見GB 30000.16-2013。
4.4.3.16 金屬腐蝕物
金屬腐蝕物分類和標簽規范見GB 30000.17-2013。
4.4.2 采購
4.4.2.1 實驗室安全管理體系中應有采購、驗收、貯存、使用和處理化學品(包括壓縮氣體、易制毒、易制爆和劇毒化學品)的管理程序。
4.4.2.2 實驗室應建立化學品(包括鋼瓶)購買、使用和貯存和處理臺賬,并保留所有相關記錄。
4.4.2.3 實驗室應從具有危險化學品安全生產許可證的生產廠家或危險化學品經營許可證的單位采購化學品。
4.4.2.4 實驗室采購危險化學品時,應索取安全技術說明書和安全標簽(以下稱“一書一簽”),不得采購無“一書一簽”的危險化學品。
4.4.2.5 實驗室應從具有鋼瓶充裝許可證的單位采購鋼瓶氣體或液體。
4.4.3 驗收
4.4.3.1 實驗室應嚴格檢查化學品名稱、數量、包裝、“一書一簽”,確認完好后登記入庫貯存。
4.4.3.2 氣體或液體鋼瓶應按照規定進行漆色、標注氣體名稱和涂刷橫條。
4.4.3.3 鋼瓶上應有符合安全技術規范及國家標準規定的警示標簽和充裝標簽。
4.4.3.4 使用的鋼瓶應有合格證和定期檢驗,應由氣瓶檢驗機構對氣瓶進行定期檢驗,出具檢驗報告。
4.4.4 貯存
4.4.4.1 貯存危險化學品必須遵照國家法律、法規和其他有關的規定。
4.4.4.2 危險化學品應儲存在專用倉庫、專用場地或者專用儲存室(以下統稱專用倉庫)內,并按照相關技術標準規定的儲存方法、儲存數量和安全距離儲存,并實行隔離、隔開、分離儲存。
4.4.4.3 危險化學品專用倉庫應當符合安全、消防的相關技術標準要求,設置明顯標志。
4.4.4.4 危險化學品必須嚴格按照危險化學品分類分柜貯存,化學品柜上應有信息牌說明存放的類別、名稱和數量。
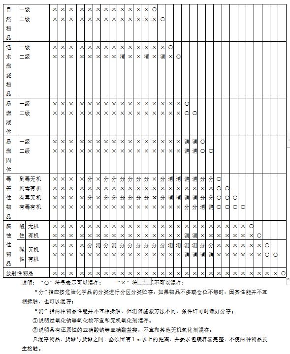
4.4.4.5 危險化學品不得與禁忌物料混合貯存,禁忌物料配置見附錄A。
4.4.4.6 貯存危險化學品的建筑物、區域內嚴禁吸煙和使用明火。
4.4.4.7 危險化學品貯存建筑物、場所的用電設備應滿足消防用電的需要。
4.4.4.8 危險化學品貯存區域或建筑物內輸、配電線路、燈具、火災事故照明和疏散指示標志,都應符合相關要求。
4.4.4.9 貯存易燃、易爆危險化學品的建筑,應安裝避雷設備。
4.4.4.10 貯存危險化學品的建筑應安裝通風設備,通風設備應設有靜電接地裝置并設置防護措施。
4.4.4.11 實驗室除貯存化學品房間外,其他房間暫時存放在防火防爆柜以外的危化品總量液體不得超過1.5L、固體不得超過1.5Kg。
4.4.4.12 壓縮氣體和液化氣體必須與爆炸物品、氧化劑、易燃物品、自燃物品、腐蝕性物品隔離貯存。盛裝液化氣體的容器屬壓力容器的,必須有壓力表、安全閥、緊急切斷裝置,并定期檢查,不得超裝。
4.4.4.13 易燃氣體不得與助燃氣體、劇毒氣體同存;氧氣不得與油脂混合貯存。
4.4.4.14 易燃液體、遇濕易燃物品、易燃固體不得與氧化劑混合貯存。氧化劑應單獨存放。
4.4.4.15 有毒、有害物質應貯存在陰涼、通風、干燥的場所,不得露天存放,不得接近酸類物質。
4.4.4.16 腐蝕性物品,包裝必須嚴密,嚴禁泄漏,嚴禁與液化氣體和其他物品共存。
4.4.4.17 危險化學品入庫后定期檢查,發現化學品容器未關緊、破損、滲漏、標簽不完整等時,應及時處理。
4.4.4.18 貯存區域的溫度、濕度應嚴格控制,發現變化及時調整。
4.4.4.19 需要低溫貯存的普通化學品應放于冰箱中,低閃點、易燃易爆化學品應放于防爆冰箱中,超過38升的易燃物儲存在專用柜中。
4.4.4.20 貯存化學品的房間應有化學品的安全信息。
4.4.4.21 鋼瓶應放置于鋼瓶柜中并牢固固定。
4.4.4.22 鋼瓶應套有橡膠防震圈。
4.4.4.23 同一類的氣體鋼瓶應放置在同一柜內。
4.4.4.24 使用中的鋼瓶要直立固定在專用支架上。
4.4.4.25 氧氣鋼瓶不能與乙炔、CO、CH4等可燃性氣體鋼瓶混放。
4.4.4.26 HCl、H2S、Cl2、CO等有毒、有害鋼瓶應單獨存放并配有正壓式空氣呼吸器。
4.4.4.27 可燃氣體鋼瓶不得靠近高溫熱源和明火。
4.4.4.28 嚴禁在危險化學品貯存區域內堆積可燃物。
4.4.4.29 常用危險化學品的安全貯存可參見GB 15603附錄B。
4.4.5 使用
4.4.5.1 領用化學品應填寫使用記錄,并宜在通風櫥內使用化學品。
4.4.5.2 鋼瓶應注明氣體種類,并設置“使用中”和“未使用”標識。
4.4.5.3 鋼瓶應有閥門手輪或活扳手,氣體管路連接選用適當的材質,宜使用銅、不銹鋼等金屬管線,或聚四氟、PEEK等塑料管線,并定期進行泄漏檢查。
4.4.5.4 鋼瓶不使用時安裝上安全保護帽。
4.4.6 處理
4.4.6.1 實驗室產生的廢棄物應統一收集、管理,并由有處理資質的單位進行處理。
4.4.6.2 實驗室應編制廢棄物收集的相關作業指導書,并保留廢棄物收集記錄與處理記錄。
4.4.6.3 廢液和廢化學品應按照性質,用無破損且不會被廢液腐蝕、溶解的容器進行收集。瓶上應有廢液標簽,標明廢液成分、組成、質量或體積、酸堿性、危害性等信息。
4.4.6.4 固體廢棄物應包裝好后粘貼廢棄物標簽,明確固體物成分、組成、質量、危害性等信息。
4.4.6.5 實驗室產生的有毒、有害廢氣,應采取措施進行處理,達標后排放。
4.4.6.6 在實驗室內處理有毒、有害、不穩定化學品、自燃化學品、氧化物等危險化學品之前應對處理的方法進行安全評估,確保處理過程安全可控,處理人員應嚴格按照處理方法進行操作。
4.4.6.7 泄漏或滲漏危險品的包裝容器應迅速移至安全區域。
4.4.6.8 實驗室廢棄物存放處應有明顯標識。
4.4.6.9 下述(不僅限于)所列的廢液不應互相混合:①過氧化物與有機物;②氰化物、硫化物、次氯酸鹽與酸;③鹽酸、氫氟酸等揮發性酸與不揮發性酸;④濃硫酸、磺酸、羥基酸、聚磷酸等酸類與其它的酸;⑤銨鹽、揮發性胺與堿。
4.4.6.10 必須用專門的尖銳物回收盒收集廢棄的尖利物品,如:針頭、刀片、破碎玻璃儀器等。
4.4.6.11 必須予以處理的廢液的最低濃度、收集分類及處理方法見附錄B。
4.5.1 儀器/設備標識
4.5.1.1 所有儀器/設備應有負責人、授權使用人、有效日期或檢測日期等信息,并具有運行、故障、停用等狀態標識。
4.5.1.2 所有涉及高溫、低溫、用電、易燃物、危險化學品等的儀器/設備相關部位均應有相應的安全警示標志。
4.5.2 儀器/設備操作規程
4.5.2.1 所有儀器/設備尤其是高溫、高速、強磁、低溫等儀器/設備附近應有安全操作規程或作業指導書。
4.5.3 儀器/設備使用授權
4.5.3.1 實驗室應建立儀器/設備管理臺賬。
4.5.3.2 所有儀器/設備均應由通過培訓考核的授權使用人進行使用,且應定期對授權使用人的能力進行評估。
4.5.3.3 實驗室儀器/設備使用、維修、維護保養時應填寫相應記錄。
4.6.1 報警系統
4.6.1.1 實驗室應配備必要的安全報警系統,如煙霧報警器、可燃氣體報警器、有毒、有害氣體報警器等。
4.6.1.2 實驗室使用或儲存惰性氣體的房間應配備氧氣報警器。
4.6.1.3 貯存危險化學品建筑物內應根據倉庫條件安裝自動報警監測和火災報警系統。
4.6.1.4 氣體鋼瓶存放處應配備氣體傳感器和報警系統,氣體傳感器和報警系統的安裝位置應合理。
4.6.1.5 實驗室應定期核查報警系統功能有效性并保存記錄。
4.6.2 通排風系統
4.6.2.1 實驗室的通風能力應與當前實驗室運行情況相適應,應符合GB 50736對通風的要求。
4.6.2.2 實驗室應配備局部排風系統,如:通風櫥、排風罩等,且其性能應符合AQ/T4274-2016的要求。
4.6.2.3 實驗室應定期對通排風系統進行功能有效性核查并保存核查記錄。
4.6.2.4 當實驗室產生較多有毒、有害氣體時,應通過廢氣處理裝置吸收達標后才能排放。
4.6.2.5 化學品的使用、操作等宜在通風櫥中進行。
4.6.3 鋼瓶柜
4.6.3.1 實驗室應配備足夠的鋼瓶柜或鋼瓶專用支架,以滿足使用要求。
4.6.3.2 鋼瓶柜必須存放在陰涼、干燥、嚴禁明火、遠離熱源的房間。
4.6.3.3 鋼瓶柜應定期作技術檢驗,并保存檢驗或試驗記錄。
4.6.4 安全沖洗裝置
4.6.4.1 在使用化學品的房間應配置緊急噴淋裝置和洗眼器且應有使用說明或圖示。
4.6.4.2 緊急噴淋裝置安裝地點與工作區域之間暢通,距離不超過30米,安裝位置合適,拉桿位置合適、方向正確。
4.6.4.3 緊急噴淋裝置水管總閥處常開狀,噴淋頭下方無障礙物,不能以普通淋浴裝置代替緊急噴淋裝置。
4.6.4.4 洗眼器應接入生活用水管道,水量水壓適中(噴出高度8-10cm),水流暢通平穩。
4.6.4.5 緊急噴淋裝置和洗眼器應至少每周沖洗一次。
4.6.4.6 實驗室應每年至少一次對緊急噴淋裝置和洗眼器進行功能有效性核查并保存核查記錄。
4.6.5 防爆設施
4.6.5.1 對有易燃、易爆氣體的實驗室,通風櫥應使用防爆電機,并安裝可燃氣體檢測報警器。
4.6.5.2 防爆實驗室需符合防爆設計要求,使用防爆電器。
4.6.5.3 使用低閃點、易燃易爆化學品的實驗室應配備防爆冰箱。
4.6.5.4 設計專用于儲存易燃液體或易燃氣體的房間或區域,除非經過特殊的評估或論證,否則至少應按照氣體危險區域2區的要求進行防爆電器選型及安裝。
4.6.5.5 實驗室應定期核查防爆設施的功能有效性并保存相關記錄。
4.6.6 防靜電設施
4.6.6.1 使用易燃、易爆化學品進行實驗的裝置或有可燃性氣體或粉塵存在又需要操作的設備應采取接地線防靜電措施或配備靜電消除器。
4.6.6.2 在落地式通風櫥內進行易燃液體的操作時,應配備人員靜電接地的措施,可通過金屬板或導靜電地面,人員穿戴防靜電鞋及防靜電手套進行人員接地。
4.6.6.3 實驗室應定期對防靜電設施進行功能有效性核查并保存核查記錄。
4.6.7 消防設施
4.6.7.1 實驗室或所在樓應通過消防單位的安全評估并同意使用,且保存消防單位評估記錄。
4.6.7.2 實驗室所在樓或樓層以及實驗室房門附近均應有安全通道,且靠近房門1.5米范圍內不應有任何障礙物。
4.6.7.3 實驗室應配備充足有效的消防設施,定期檢查有效期并及時更換。20平米以上的房間至少配備2個滅火器,且滅火器種類滿足使用要求。
4.6.7.4 實驗室應按可能出現的火災類型配備滅火器,大型精密儀器應配二氧化碳或專用滅火器。使用鈉、鉀、鋰等易燃金屬的實驗室應配備專用滅火器。
4.6.7.5 實驗室消防指示信息應齊全,墻上高1.5米以上與墻高0.5米處均應有反光貼指示滅火器。
4.6.7.6 實驗室公共區域的消防栓、滅火器等消防設施應有明顯標識。
4.6.7.7 滅火器應布置在門邊的消防架或箱內,并合理擺放,把手向外。
4.6.7.8 對使用有機物、油品等實驗室,應配備溢油控制材料如吸油砂、吸油氈等,實驗室人員應接受溢油清理訓練。
4.6.7.9 根據化學品特性配備相應的消防設備、設施和滅火藥劑。
4.6.7.10 貯存危險化學品的建筑物內,如條件允許,應安裝消防噴淋系統(遇水燃燒危險化學品,不可用水撲救的火災除外),其噴淋強度和供水時間如下:噴淋強度 15 L /(min?m2),持續時間 90min。
4.6.7.11 實驗室應定期組織員工消防演練或培訓,并保存消防演練或培訓記錄。
4.6.8 電氣設備
4.6.8.1 實驗室電器插頭和連接用插頭應符合GB/T 1002和GB/T 2099。
4.6.8.2 實驗室所有電氣設備應正確接地,所有電線都處于良好狀態,無開裂、脆化、磨損現象。
4.6.8.3 禁止電線橫穿地板。
4.6.8.4 所有電機應有過載保護或熱繼電器保護。
4.6.8.5 電機外殼應有明顯的安全警示。
4.6.8.6 高溫電器如高溫馬弗爐、電熱烘箱等不得放置在木質或合成材料桌面上,并在電器明顯處應有“高溫”、“防燙”、“觸電危險”等標識牌。
4.6.8.7 加熱電器的接線端子等應處于封閉狀態,不能裸露。
4.6.8.8 大功率電器應有過載保護、漏電保護、單獨地線。
4.6.8.9 實驗室應有獨立配電箱或配線盒,墻面配電箱/盒采用帶蓋封閉式。
4.6.8.10 配線箱/盒應從樓層或房間內的配電柜連接。
4.6.8.11 實驗室電容量與用電設備功率需匹配,電源插座須固定。
4.6.8.12 插座、插頭、接線板符合國家質量認證的合格產品。
4.6.8.13 接線板插座為臨時用電,不得長期用作設備電源。
4.6.8.14 接線板和插座不得連接2KW以上的用電設備。
4.6.8.15 配電柜、接線盒等過載保護器后引出的電線,應用硬線管保護。
4.6.8.16 電線宜布置在線廊、塑料管或蛇皮管內。
4.6.8.17 無防護管保護的電線,應用軟管保護。
4.6.8.18 軟電線宜固定在設備或框架上。
4.6.8.19 通風櫥內不宜設置或放置插座、插頭、接線板。
4.7.1 安全標識
4.7.1.1 實驗環境應有足夠的安全出口及安全通道標識,超過200平方米的實驗樓層應具有至少兩處緊急出口,75平米以上實驗室應設置兩處出入口。
4.7.1.2 實驗室所在樓道應有安全方位標識。
4.7.1.3 實驗室的實驗區和非實驗區,防護區和非防護區均應有明顯的分隔標識線。
4.7.1.4 實驗室全部工作場所應有明顯的危險源標識,包括劇毒品、放射性強磁、病原微生物、同位素等高危場所,應有明顯的警示標識。
4.7.1.5 實驗室門口應有安全信息牌,至少應包括實驗室危害類型、個體防護要求、安全責任人及聯系方式等內容。
4.7.1.6 實驗室各房間門內外應有明顯的進、出標識。
4.7.1.7 實驗室貯存柜或抽屜上應貼有內部存放所有物品的標簽,且標簽與物品信息應一致。
4.7.1.8 實驗室房間外應有明顯的鋼瓶信息,包括鋼瓶種類、數量等。
4.7.1.9 實驗室所有工作場所應有清楚、明顯和統一的標志,如安全警示標志、安全防護標志等。
4.7.2 其他要求
4.7.2.1 實驗室的固定辦公區域應與實驗操作區域隔離;如實驗室內設置有臨時記錄區,應設置在靠近安全出口的位置。
4.7.2.2 實驗室門應保持關閉狀態,以隔絕火與煙。
4.7.2.3 實驗室應有應急出入措施,供電失靈時應能打開電子門鎖,各房間有備用應急鑰匙并統一管理。
4.7.2.4 實驗室外的公共區域不得堆放儀器、物品等;樓道緊急出口不得上鎖,保證所有出口通道暢通無阻。
4.7.2.5 危險材料、化學品貯存柜、氣體鋼瓶禁止放于實驗室主要出口附近。
4.7.2.6 廢舊物品和儀器應及時進行報廢處理。
4.7.2.7 實驗室人員在實驗室所接觸的化學有害因素,包括化學物質、粉塵和生物因素,其在實驗室空氣中的濃度應不超過GBZ 2.1所規定的限值。
4.7.2.8 實驗室人員在實驗室所接觸的物理因素,包括:超高頻輻射、高頻電磁場、工頻電場、激光輻射、噪聲等,應不超過GBZ 2.2所規定的限值。
4.8.1 實驗室應建立、實施和維持程序,以持續進行危害辨識和風險評估。應對實驗室的所有工作進行危害辨識和風險評估。
4.8.2 實驗室應系統識別實驗室活動所有階段可預見的危險源,識別所有與各類活動相關的可預見的危險,如機械、電氣、高溫、低溫、火災、噪聲、毒物、輻射、化學等危險;或與任務不直接相關的可預見的危險,如實驗室突然停電、停水、自然災害等特殊狀態下的安全。
4.8.3 實驗室應從化學品、人員、儀器/設備、環境、設施等方面進行危險源辨識。
4.8.4 風險評估應考慮(但不限于)以下內容:
a)常規和非常規活動,包括新引入的化學品危害及安全措施、 新開放或引入的化學反應或工藝等。b)正常工作時間和正常工作時間之外所進行的活動;
c)所有進入實驗室的人員的活動;
d)人員因素,包括行為、能力、身體狀況、可能影響工作的壓力等;
e)源自工作場所外的活動,對實驗室內人員的健康產生的不利影響;
f)工作場所附近,相鄰區域的實驗室相關活動對其產生的風險;
g)工作場所的設施、設備和材料,無論是本實驗室還是外界提供的;
h)實驗室功能、活動、材料、設備、環境、人員、相關要求等發生變化;
i)安全管理體系的更改,涉及對運行、過程和活動的影響;
j)任何與風險評價和必要的控制措施實施相關的法定要求;
k)實驗室結構和布局、區域功能、設備安裝、運行程序和組織結果,以及人員的適應性;
l)本實驗室或相關實驗室已發生的安全事故。
4.8.5 發生以下情況時,應重新進行風險評估:
a)采用新的設備、材料、方法、環境、人員發生變化或改變實驗室結構的功能時;
b)包括物質存儲或使用的實驗室分區執行的任務發生改變之前;
c)變更工作流程時;
d)發生事故后;
4.9.1 管控原則
4.9.1.1 實驗室應根據危害辨識和風險評估制定相應的風險控制措施。
4.9.1.2 在控制風險時,宜采用風險分級管控,控制順序如下:
a)消除來自實驗室的危險源;
b)采用替代物或替代方法來減少風險;
c)隔離危險源來控制風險;
d)應用工程控制、抑制或減少接觸,例如局部排風通風;
e)采用安全工作行為最小化接觸,包括改變工作方法;
f)在采用其他的有效控制危險源的方法不可行時,使用合適的個體防護裝備。
以上措施仍無法將風險降低到可接受的水平,應再次進行安全風險評估,直至停止工作。
4.9.2 一般性風險管控
4.9.2.1 實驗室內嚴禁飲食,嚴禁吸煙。
4.9.2.2 實驗室特定區域如化學品存放處等嚴禁煙火。
4.9.2.3 實驗室應配備足夠有效的安全防護品,包括但不限于:實驗服、護目鏡、防護面罩、防護口罩、防毒面具、安全帽、防護手套。
4.9.2.4 實驗人員應按規定穿戴防護服、長褲、手套、護目鏡、口罩等必要的防護用具,長發必須盤發或帶帽,不得穿高跟鞋、涼鞋、拖鞋、短褲、短裙等露手腕、腳踝部位的衣服進入實驗室。
4.9.2.5 危險物品和設備不得放于走廊上。
4.9.2.6 實驗室所有人員均應明確所在崗位所必須的防護。
4.9.2.7 實驗室公共區域應配備必須的防護設施和設備。
4.9.2.8 實驗室現場人員包括本單位、外訪、供應商等在所有工作時間正確穿戴個人防護設備。
4.9.2.9 所有物品使用完后應放回指定儲存或回收位置。
4.9.3 玻璃器具風險管控
4.9.3.1 不同種類的玻璃器具應分類存放,不得與其他物品混放,存放處的外壁應有標簽寫明種類和數量。
4.9.3.2 所有玻璃儀器或設備使用時,應佩戴護目鏡、防護手套等防護品。
4.9.3.3 玻璃器具被加熱時,應有防護板或隔離板。
4.9.3.4 玻璃設備取樣或手動操作時,應佩戴防護面罩。
4.9.3.5 使用明火加熱或電爐直接加熱玻璃容器時,應有透明保護罩或戴防護罩。
4.9.3.6 明火或電爐不能加熱裝有機物的敞口玻璃容器。
4.9.4 儀器/設備風險管控
4.9.4.1 反應器、分離等金屬設備的取樣口、連接口等部位應有防護板。
4.9.4.2 有馬達、皮帶輪、軸承等轉動部件,應有封閉金屬防護網。
4.9.4.3 儀器/設備操作時,應根據需要佩戴手套、防切割手套、防靜電手套等。
4.9.4.4 使用高能裝置如激光器等應佩戴相應的護目鏡等防護措施。
4.9.5 化學品風險管控
4.9.5.1 使用化學品時,應穿戴相應的實驗服或防護服,佩戴防化學品護目鏡或面罩等。
4.9.5.2 根據化學品性質,佩戴相應的防護手套。
4.9.5.3 按化學品的危害程度,佩戴防護口罩、防毒面具等呼吸防護。
4.9.5.4 化學品的移取、稱量、操作應在通風櫥內進行。
4.9.5.5 使用易燃、易爆、低閃點化學品的房間,應有相應的氣體濃度報警器。
4.9.6 其他風險管控
4.9.6.1 實驗室應配備尖銳物回收盒并有清晰標記,用于存放針頭、取樣器、碎玻璃儀器等。
4.9.6.2 對房間內超過70分貝的設備,應進行降噪處理,操作人員應進行聽力防護。
4.9.6.3 使用危險性、腐蝕性、可燃性氣體房間,不得用明火加熱或電爐。
4.9.6.4 實驗室應配備緊急醫療用品,包括但不限于:燙傷膏、創可貼、碘酒、棉簽、繃帶、止血帶等臨時醫療用品。
4.9.6.5 實驗室應根據所進行的風險評估,結合從相關的SDS和GB/T 11651中獲取的信息,決定是否需要使用額外的或更專業化的個體防護裝備,如隔絕式呼吸器等。
4.10.1 實驗室應制定包括但不限于以下情況發生時的專項應急預案或現場處置方案:火災、爆炸、化學品泄漏、中毒、燒傷、凍傷、電擊、被放射線照射。
4.10.2 實驗室應定期開展應急預案培訓和演練。
4.10.3 實驗室內發生火災、爆炸、化學品泄漏、輻射、觸電等緊急情況時應立即做出響應。
4.10.4 使用劇毒氣體的實驗室應配備專業處置人員或消防員。
4.10.5 實驗室上一級部門應掌握實驗室危害辨識、風險評估與應急預案情況,必要時采取相應措施。




聲明:化學加刊發或者轉載此文只是出于傳遞、分享更多信息之目的,并不意味認同其觀點或證實其描述。若有來源標注錯誤或侵犯了您的合法權益,請作者持權屬證明與本網聯系,我們將及時更正、刪除,謝謝。 電話:18676881059,郵箱:gongjian@huaxuejia.cn